
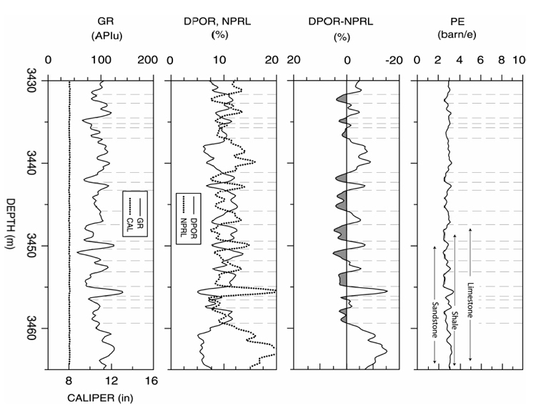
Fig. 2. Well logs from 3420 m depth to 3465 m depth from well Cobb 2-27 in the Anadarko Basin (T 15 N, R 23 W, S 27, latitude 37.740oN, longitude 99.635oW). Well logs provided courtesy of Apache Oil Corporation, Tulsa, Oklahoma. Section shown is in the Prue Sand, which is a part of the Lower Desmoinesian Cherokee Group (Middle Pennsylvanian) (from Deming et al., 2002). More details and examples are found in Cranganu (2005).