Datapages, Inc.Print this page

Click on image to view enlargement.

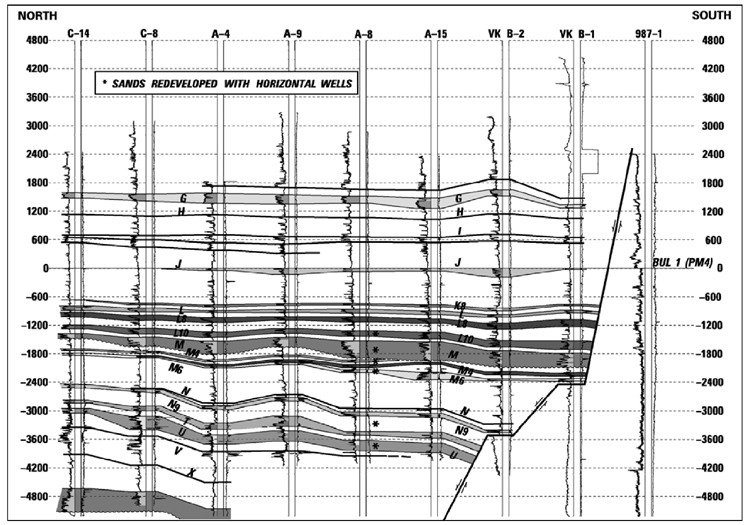
Figure 6. North-south-trending stratigraphic cross section flattened on the Pliocene J sandstone, showing the seven sandstones exploited with horizontal wells in the South Pass 62 field.