![]() |
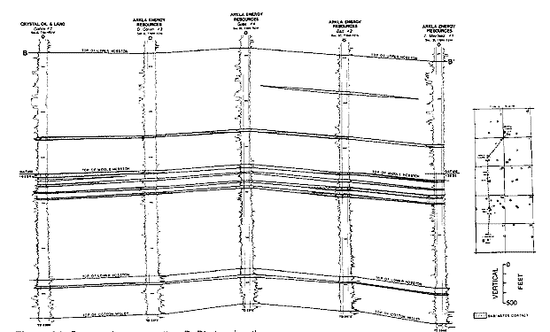
Fig. 24.Structural cross section B-B’ showing the upper, middle, and lower Hosston producing intervals in the Ruston field. Datum, -6534 ft.
![]() |
Fig. 24.Structural cross section B-B’ showing the upper, middle, and lower Hosston producing intervals in the Ruston field. Datum, -6534 ft.
